Выключатель А3726

Автоматические выключатели серии А3726 предназначены для проведения тока в нормальном режиме и автоматического отключения при перегрузках, коротких замыканиях, недопустимых снижениях напряжения. А также для оперативных включений и отключений потребителей электрического тока(до 3-х включений в час).
Автоматические выключатели серии А3726 используются в энергоустановках с номинальным рабочим напряжением 380 или 660 В переменного тока частотой 50 или 60 Гц; 380 В переменного тока с частотой 400 Гц; или 220, 440 В постоянного тока.
Прайс-Лист от 27.11.2020
|
Наименование |
Цена с НДС |
|
Выключатель А 3726 (200-250А) |
7000 |
|
Выключатель А 3722 (200-250А) |
6500 |
Структура условного обозначения выключателя А3726 (А3722)
А37-ХХХ ХХ (пример: А3726 ФУЗ или А3722 БУЗ)
- А37 - серия автомата;
- Х - величина выключателя;
- [2] - до 250А.
- ХХ - количество полюсов, а так же вид установки макс. расц. тока. и макс. токовой защите.
- [6Ф] - выкл. трехполюсный, нетокоограничивающий с электромагнитными и тепловыми расцепителями;
- [6Б] - выкл. трехполюсный, токоограничивающий с электромагнитными и тепловыми расцепителями;
- Х - исполнение по климату;
- [У] - умеренный климат от -45 до +40 ºС;
- Х - категория размещения;
- [3] - эксплуатация в крытых помещениях без регулирования температурных условий с естественной вентиляцией (температура практически не отличается от уличной, нет брызг и струй воды, незначительное количество пыли);
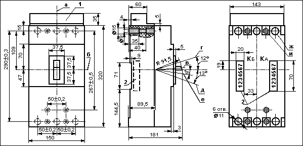
Габаритные размеры
Состав
Выключатели серии А3726 состоят из следующих сборочных единиц:
- защитного корпуса (кожуха), который изготовлен из ударо- и пожаропрочного пластика;
- системы управления;
- силовых и свободных контактов;
- системы гашения дуги;
- электромагнитного привода (ПЭ);
- независимого расцепителя (РН);
- нулевого расцепителя, управляющего нулевым напряжением (РНН).
Технические характеристики
— Тип: А-3726
— Номинальный ток, А: 250
— Количество полюсов: 3
— Коммутационная износостойкость, циклов В-О: 10 000;
— Износостойкость (общая для выключателей), циклов В-О: 16 000;
— Присоединение внешних проводников к контактам главной цепи: кабель без наконечника; кабель с наконечником; шина.
А3726 БУЗ — выключатели токоограничивающие с электромагнитными и тепловыми расцепителями тока.
|
Тип выключ- |
Род тока и частота сети |
Номиналь- |
Номинальный ток, А |
Предельная комутационная способность выключателя |
Уставка по току срабатывания, А |
||||
|
выключа- |
электро-магнитных расцепи- |
тепловых расцепи- |
Предельно допустимый ожидаемый ток короткого замыкания, кА |
тепловых расцепи- |
электро- |
||||
|
А3726Б |
~50 Гц |
660, 380 |
250 |
250 |
160 |
40.0 |
185 |
2500 |
|
|
65.0 |
|||||||||
|
200 |
40.0 |
230 |
|||||||
|
75.0 |
|||||||||
|
250 |
40.0 |
290 |
|||||||
|
75.0 |
|||||||||
|
~400 Гц |
380 |
170 |
170 |
30.0 |
195 |
2000 |
|||
А3726 ФУЗ — выключатели нетокоограничивающие с электромагнитными и тепловыми расцепителями тока.
|
Тип выключ- |
Род тока и частота сети |
Номиналь- |
Номинальный ток, А |
Предельная комутационная способность выключателя |
Уставка по току срабатывания, А |
||||
|
выключа- |
электро- |
тепловых расцепи- |
Предельно допустимый ожидаемый ток короткого замыкания, кА |
тепловых расцепи- |
электро- |
||||
|
А3726Ф |
~50 Гц |
380 |
250 |
250 |
160 |
35.0 |
185 |
1500 |
|
|
200 |
230 |
||||||||
|
250 |
290 |
||||||||
|
~400 Гц |
170 |
170 |
30.0 |
195 |
2000 |
||||
Разновидности
Автоматические выключатели А3726 производятся в двух исполнениях:
- стационарные;
- выдвижные (выкатные).
В таких автоматах используется 3 типа приводов:
- ручные;
- ручные дистанционные;
- электромагнитные.
Сферы применения
Автоматические выключатели А3726 используются в сетях коммутации стационарного и мобильного оборудования, напряжение которого не превышает 440В (сети постоянного тока) и 660В (цепи с переменными токами частотой 50 Гц).
Автоматы данной серии монтируют на предварительно выровненную вертикальную поверхность (в зависимости от варианта крепления), при этом допустимое отклонение составляет от 5 до 30 градусов. Стоит отметить, что автоматические выключатели А3726 должны быть защищены от прямого воздействия солнечного света, влаги, а, маслянистых жидкостей и инертных газов.
Автоматы серии А3726 можно использовать в местах, которые подвержены синусоидальным вибрациям (с максимальным порогом 6g). Более того, данные защитные устройства выдерживают механические удары, сила которых не превышает 120g (единичное кратковременное воздействие – от 1 до 5 секунд).

